Product Summary
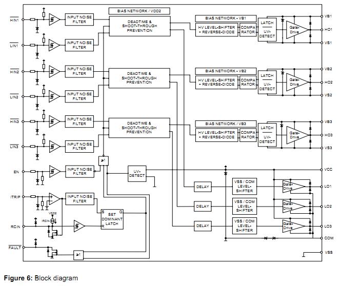
The 6ED003L06-F is a full bridge driver to control power devices like MOS-transistors or IGBTs in 3-phase systems with a maximum blocking voltage of +600V. Based on the used SOI-technology there is an excellent ruggedness on transient voltages. No parasitic thyristor structures are present in the device. Hence, no parasitic latch up may occur at all temperature and voltage conditions.
Parametrics
6ED003L06-F absolute maximum ratings: (1)VS, High side offset voltage: VCC-VBS-6 to 600V; High side offset voltage (tp<500ns): VCC -VBS - 50V; (2)VB, High side offset voltage: VCC - 6 to 620V; High side offset voltage (tp<500ns): VCC - 50V; (3)VBS, High side floating supply voltage (VB vs. VS): -1 to 20V; (4)VHO, High side output voltage (VHO vs. VS): -0.5 to VB + 0.5V; (5)VCC, Low side supply voltage (internally clamped): -1 to 20V; (6)VCCOM, Low side supply voltage (VCC vs. VCOM): -0.5 to 25V; (7)VCOM, Gate driver ground: -5.7 to 5.7V; (8)VLO, Low side output voltage (VLO vs. VCOM): -0.5 to VCCOM +0.5V; (9)VIN, Input voltage LIN,HIN,EN,ITRIP tp <10μs: -1.0 to 10 V or 15 V; (10)VFLT, FAULT output voltage: -0.5 to VCC + 0.5 V; (11)VRCIN, RCIN output voltage: -0.5 to VCC + 0.5 V; (12)PD, Power dissipation (to package): 1.0 W; (13)RthJA, Thermal resistance (junction to ambient, device mounted on PCB): 70 K/W; (14)TJ, Junction temperature: 125℃; (15)TS, Storage temperature: -40 150℃; (16)dVs/dt, offset voltage slew rate: 50 V/ns.
Features
6ED003L06-F features: (1)Thin-film-SOI-technology; (2)Insensitivity of the bridge output to negative transient voltages up to -50V given by SOI-technology; (3)Maximum blocking voltage +600V; (4)Power supply of the high side drivers via boot strap; (5)Separate control circuits for all six drivers; (6)CMOS and LSTTL compatible input (negative logic); (7)Signal interlocking of every phase to prevent cross-conduction; (8)Detection of over-current and under-voltage supply; (9)shut down of all switches during error conditions; (10)externally programmable delay for fault clear after over current detection.
Diagrams

| Image | Part No | Mfg | Description | ![]() |
Pricing (USD) |
Quantity | ||||
|---|---|---|---|---|---|---|---|---|---|---|
![]() |
![]() 6ED003L06-F |
![]() Infineon Technologies |
![]() Power Driver ICs Integrated 3 Phse IGBT Control |
![]() Data Sheet |
![]() Negotiable |
|
||||
| Image | Part No | Mfg | Description | ![]() |
Pricing (USD) |
Quantity | ||||
![]() |
![]() 6ED003L02-F |
![]() Infineon Technologies |
![]() Power Driver ICs Integrated 3 Phase Gate Driver 200V |
![]() Data Sheet |
![]() Negotiable |
|
||||
![]() |
![]() 6ED003L06-F |
![]() Infineon Technologies |
![]() Power Driver ICs Integrated 3 Phse IGBT Control |
![]() Data Sheet |
![]() Negotiable |
|
||||
(China (Mainland))









